您当前的位置:成果库 > 一种CMOS 栅压自举开关电路
基本信息
- 成果类型 高等院校
- 委托机构 西安电子科技大学
- 成果持有方 西安电子科技大学
- 行业领域 系统集成
- 项目名称 一种CMOS 栅压自举开关电路
- 知识产权 发明专利
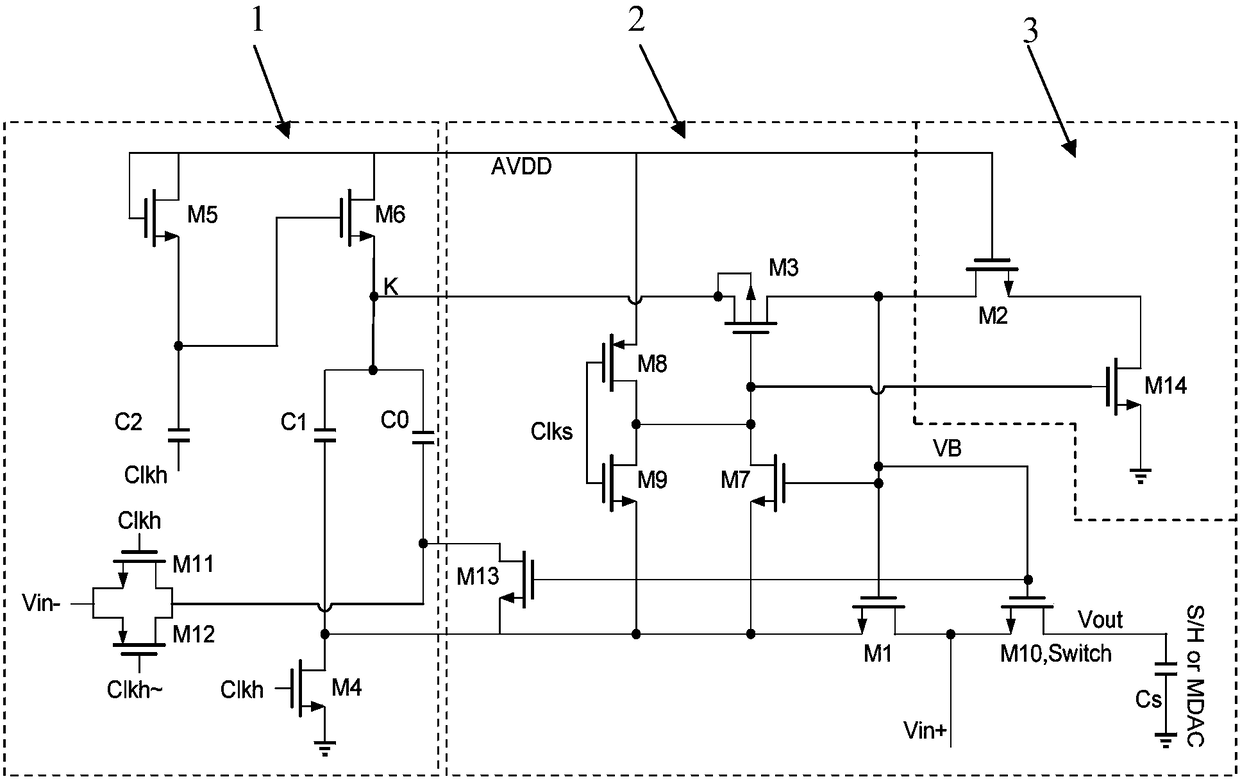
- 项目简介 本发明提供了一种CMOS栅压自举开关电路,所述CMOS栅压自举开关电路包括:电荷泵(1)、与所述电荷泵(1)连接的自举电路(2)、与所述自举电路(2)连接的复位电路(3);其中,所述电荷泵(1)用于补偿所述自举电路(2)的阈值电压的变化,所述复位电路(3)用于对所述自举电路(2)进行复位。本发明实施例的CMOS栅压自举开关电路,引入自举补偿电容,实现开关导通电阻体效应的一阶补偿,从而具有很高的线性度,提高了采样开关电路的精度。
-
交易信息
- 意向交易额 面议
- 挂牌时间 2017/12/08
- 委托机构 西安电子科技大学
- 联系人姓名 王小刚
- 联系人电话 15802954800
- 联系人邮箱 745490733@qq.com
- 分享至:


437
2018/08/27
咨询成果
发布成果