您当前的位置:成果库 > 一种新型的抑制电源开关噪声的电磁带隙结
基本信息
- 成果类型 高等院校
- 委托机构 西安电子科技大学
- 成果持有方 西安电子科技大学
- 行业领域 其他电子信息
- 项目名称 一种新型的抑制电源开关噪声的电磁带隙结
- 知识产权 发明专利
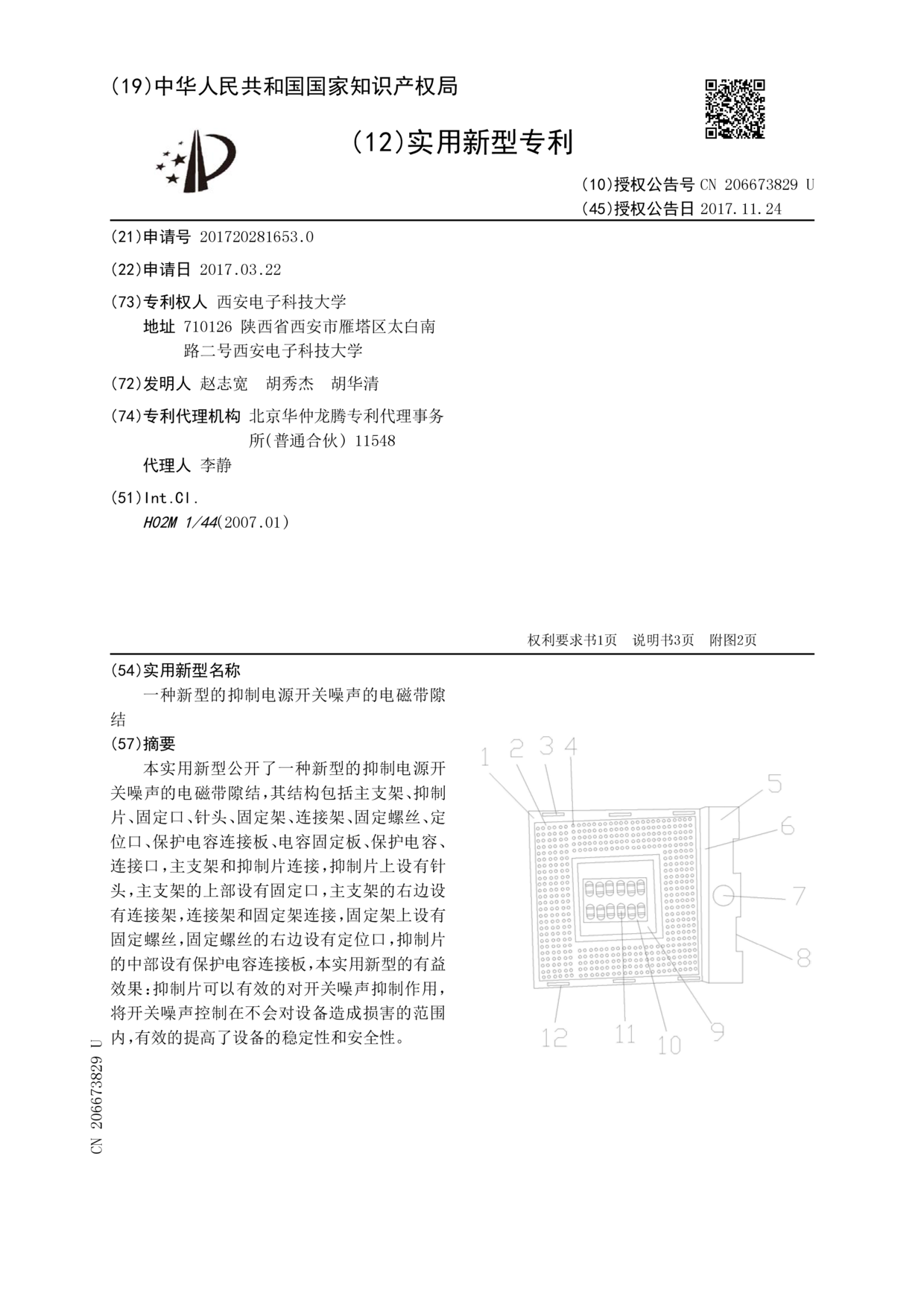
- 项目简介 本实用新型公开了一种新型的抑制电源开关噪声的电磁带隙结,其结构包括主支架、抑制片、固定口、针头、固定架、连接架、固定螺丝、定位口、保护电容连接板、电容固定板、保护电容、连接口,主支架和抑制片连接,抑制片上设有针头,主支架的上部设有固定口,主支架的右边设有连接架,连接架和固定架连接,固定架上设有固定螺丝,固定螺丝的右边设有定位口,抑制片的中部设有保护电容连接板,本实用新型的有益效果:抑制片可以有效的对开关噪声抑制作用,将开关噪声控制在不会对设备造成损害的范围内,有效的提高了设备的稳定性和安全性。
-
交易信息
- 意向交易额 面议
- 挂牌时间 2017/11/24
- 委托机构 西安电子科技大学
- 联系人姓名 王小刚
- 联系人电话 15802954800
- 联系人邮箱 745490733@qq.com
- 分享至:


446
2018/08/27
咨询成果
发布成果